微动开关怎么接线

邮箱:
sales@srasmsun.com
服务热线:
137-5119-2923
3161422826

微动开关怎么接线

日期:2020-03-11
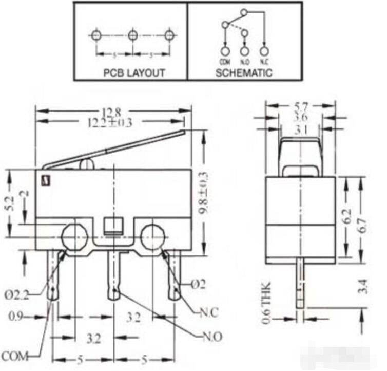
说到微动开关接线的方法,一般从微动开关接线图上看去,微动开关有三个点,这三个点一个是公共点,一个是常开点,另一个则是闭合点,公共点就好插座中的零线,常开点就是打开开关,使得电流流过的点,闭合点当然就是断开电流通过的接点了。按照微动开关的接线图,把相应的点接入相应的位置就可以了。微动开关接线的方法虽然看起来相对比较简单,但是也还是要前提做好相关的准备措施。
 
 
微动开关接线图原理:在微动开关之中,其转动元件有按钮、按销、滚轮以及杠杆等,只要把外机械力,通过转动元件,把力度作用到弹簧片上,当簧片移位到临界点,产生瞬时动作,使得簧片就可以触动到触点,从而实现断开和快速的接通。从微动开关接线方式中,也可以看出其工作原理。至于微动开关的接线图,只是在操作连接时,作为一个可靠的参考设计图,并明确整个设计线路,才不会在中途的接线之中产生问题。
推荐阅读
轻触开关规格及尺寸有多种选择,产品所适用场合也不一样。大类可分为插件轻触(DIP)和贴片轻触开关(SMD),如果不了解轻触开关的基本知识,在使用过程很容易导致开关发生故障
防水轻触开关的作用:防水轻触开关就是我们上面所说的产品中必不可少的一个零组件,所以很多和水有关的产品都需要用它。它的作用就是保证我
随着技术不断的发展,超薄轻触开关进入市场深受广大消费者的喜爱,现在绝大部分的消费者如果想要购买开关的话,他们基本上都会选择超薄轻触
一般轻触开关封装分为:轻触开关的封装种类有:SMT贴片封装、散装人工插件、DIP插件编带封装。